CÔNG TY TNHH XUẤT NHẬP KHẨU ĐẦU TƯ VÀ THƯƠNG MẠI TOÀN PHÁT

Chuyên cung cấp: Nhông xích inox, dây curoa, gầu tải, khớp nối mặt bích, keo dán băng tải, băng tải gầu, băng tải xích, túi lọc bụi, vải lọc bụi, vòng bi các loại. 

Điện thoại: 024.3795.8168  -  Fax: 024.3795.8169

Email: toanphatinfo@gmail.com

Xích Toàn Phát

Danh mục sản phẩm

Sản phẩm nổi bật

Sản phẩm mới

băng tải cao su là gì?mua băng tải ở đâu?

băng tải cao su là gì?mua băng tải ở đâu?

Giá: băng tải cao su ở đâu tốt nhất?giá rẻ nhất

Vòng bi cầu-Bạc đạn cầu 696-Phi 6x15x5 mm

Vòng bi cầu-Bạc đạn cầu 696-Phi 6x15x5 mm

Giá:

Vòng bi côn  30228 ( 7228E )-Phi 140x250x42 mm

Vòng bi côn 30228 ( 7228E )-Phi 140x250x42 mm

Giá:

Dây AT5 AT10 AT20

Dây AT5 AT10 AT20

Giá: Liên Hệ 0932322638

Béc phun ngành xi măng

Béc phun ngành xi măng

Giá: Liên hệ 0932322638

Nhông Xích Tải Chuẩn 100

Hình ảnh
Sản phẩm Nhông Xích Tải Chuẩn 100
Giá
Đặt hàng

 

Nhông 100B là dòng nhông xích “khủng” dành cho các hệ thống truyền động công suất cực lớn: dây chuyền nghiền đá 1000–3000 tấn/h, băng tải than dài 2–10 km, băng tải quặng sắt mỏ lộ thiên, nhà máy xi măng 5000–10.000 tấn clinker/ngày, cảng than lớn, nhà máy nhiệt điện… Đây là sản phẩm chỉ dành cho những nơi yêu cầu độ bền tuyệt đối 24/7/365.

 

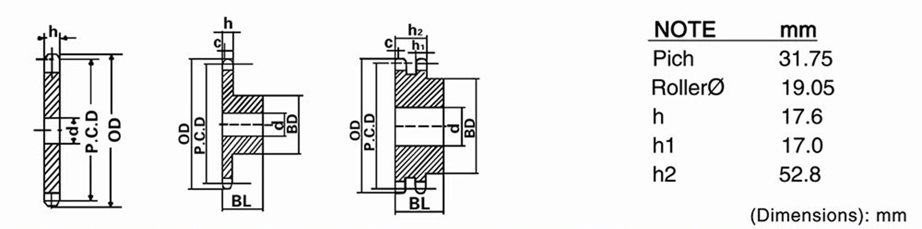
Thông số kỹ thuật chung – Chuẩn JIS/KANA (ANSI 100)

  • Tên chuẩn: 100B-1 (simplex), 100B-2 (duplex)
  • Tiết bước (Pitch): 31.75 mm (1-1/4 inch)
  • Đường kính con lăn (Roller Ø): 19.05 mm
  • Chiều rộng trong má xích: 17.6 mm
  • Chiều cao răng h1: 17.0 mm
  • Chiều cao răng tổng h2: 52.8 mm
  • Vật liệu: Thép hợp kim SCM440 / 42CrMo tôi cứng toàn phần
  • Độ cứng răng: HRC 55–62 (tôi cao tần độ sâu 4–6 mm)
  • Chứng nhận: ISO 9001:2015

 

Số răng OD P.C.D Bore: d
9 106 92.84 20
10 177 102.74 20
11 127 112.70 20
12 138 122.67 20
13 148 132.67 20
14 158 142.68 20
15 168 152.71 20
16 179 162.74 20
17 189 172.79 20
18 199 182.84 20
19 209 192.90 20
20 220 202.96 20
21 230 213.03 20
22 240 223.10 20
23 250 233.17 20
24 260 243.25 20
25 270 253.32 20
26 281 263.40 20
27 291 273.49 20
28 301 283.57 20
29 311 293.66 20
30 321 303.75 26
31 331 313.83 26
32 341 323.92 26
33 352 334.01 26
34 362 344.11 26
35 372 354.20 26
36 382 364.29 26
37 392 372.38 26
38 402 384.48 26
39 412 394.57 26
40 422 404.67 26
41 433 414.77 26
42 443 424.86 26
43 453 434.96 26
44 463 445.06 26
45 473 455.16 26
46 483 465.25 26
47 493 475.35 26
48 503 485.45 26
50 524 505.65 26
52 544 525.85 26
54 564 546.05 26
55 574 556.15 26
60 625 606.66 26
65 675 657.17 26
70 726 707.68 26
75 777 758.20 26
80 827 808.71 26
90 928 909.75 26

 

 

Số răng Type "B" simplex (BD: Hub) Type "B" simplex (BL: Hub) Type "B" simplex (Bore: Min) Type "B" simplex (Bore: Max) Type "B" simplex (Weight: kg) Type "B" simplex (Material)
9 62 50 22 40 1.60

S45C

10 65 50 22 45 1.90
11 75 50 22 51 2.30
12 86 50 22 57 2.90
13 94 50 22 63 3.10
14 98 50 22 66 3.60
15 98 50 22 66 4.20
16 98 50 22 66 4.60
17 107 50 22 75 5.30
18 107 50 22 75 5.70
19 107 50 22 75 6.10
20 107 50 22 75 6.50
21 107 50 22 75 7.00

SS41

22 117 56 22 80 7.90
23 117 56 22 80 8.50
24 117 56 22 80 8.80
25 117 56 22 80 9.30
26 117 56 22 80 9.80
27 117 56 22 80 10.30
28 117 56 22 80 10.90
29 117 56 22 80 11.50
30 117 56 28 80 12.10
31          
32 117 56 28 80 13.40
33 117 56 28 80 14.50
34 117 56 28 80 16.10
35 127 63 28 89 16.60
36 127 63 28 89 17.50
37 127 63 28 89 18.00
38 127 63 28 89 18.90
39          
40 127 63 28 89 20.40
41 127 63 28 89 21.50
42 127 63 28 89 22.60
43          
44          
45 127 63 28 89 24.70
46          
47 127 63 28 89 26.70
48 127 63 28 89 27.50
50 127 63 28 89 30.00
52          
54 147 80 28 103 37.40
55 147 80 28 103 41.60
60 147 80 28 103 44.30
65 147 80 28 103 44.50
70 147 100 28 103 44.70
75 147 100 28 103 47.00
80          
90          

 

 

 

Số răng Type "A" (Bore: d) Type "A" (Weight: kg) Type "A" (Material)
9    

SS41

10 22 1.10
11 22 1.30
12 22 1.60
13 22 1.90
14 22 2.15
15 22 2.50
16 22 2.83
17 22 3.20
18 22 3.60
19 22 4.00
20 22 4.40
21 22 4.90
22 22 5.35
23 22 5.80
24 22 6.40
25 22 6.90
26 22 7.50
27 22 8.10
28 22 8.70
29 22 9.30
30 28 10.00
31 28 10.65
32 28 11.35
33 28 12.00
34 28 12.80
35 28 13.50
36 28 14.40
37 28 15.10
38 28 16.00
39 28 16.80
40 28 17.70
41 28 18.60
42 28 19.50
43 28 20.50
44 28 21.45
45 28 22.40
46 28 23.40
47    
48 28 25.50
50 28 27.70
52 28 29.90
54 28 32.30
55    
60 28 39.90
65 28 46.80
70 28 54.30
75 28 62.30
80 28 70.90
90 28 88.70

 

 

Số răng Typee "B" duplex (BD: Hub) Typee "B" duplex (BL: Hub) Typee "B" duplex (Min: Bore) Typee "B" duplex (Max: Bore) Typee "B" duplex (Weight: kg) Typee "B" duplex (Material)
9          

S45C

10          
11 70 80 24 46 3.50
12 80 80 24 55 4.20
13 90 80 30 60 5.00
14 100 80 30 66 6.00
15 110 80 30 75 7.00
16 120 80 30 80 7.10
17 130 80 30 89 7.70
18 130 80 30 89 8.90
19 130 80 30 89 9.60
20 130 90 30 89 12.80
21 130 90 30 89 13.50
22 130 90 30 89 14.30

SS41

23 127 90 30 89 15.50
24 127 90 30 89 16.60
25 137 90 40 95 17.80
26 137 90 40 95 18.50
27 137 90 40 95 19.80
28          
29 137 90 40 95 22.00
30          
31 137 90 40 95 24.30
32          
33 137 90 40 95 27.00
34          
35          
36 137 90 40 95 30.90
37 137 90 40 95 32.50
38          
39 137 90 40 95 36.00
40          
41 147 100 40 103 40.70
42          
43 147 100 40 103 45.00
44          
45          
46 147 100 40 103 49.30
47          
48          
50 147 100 40 103 53.00
52 147 100 40 103 58.00
54          
55 147 100 40 103 63.00
60          
65 147 125 40 103 68.30
70          
75          
80          
90          

 

 

Ưu điểm vượt trội của nhông 100B DWSK

  • Răng tôi cao tần độ sâu ≥ 5 mm, chịu tải cực đại, tuổi thọ 8–15 năm trong môi trường khắc nghiệt
  • Độ chính xác cấp 5–6 JIS → vận hành êm ru, không rung, không rơi xích dù tải nặng
  • Moay ơ đúc liền khối, gia công CNC 5 trục, cân bằng động G2.5, chịu lực vặn cực lớn
  • Hỗ trợ gia công lỗ côn Taper Bush 4040, 4545, 5050… hoặc lỗ then lớn Ø100–Ø150 mm
  • Tương thích 100% với xích 100-1, 100-2 của Tsubaki, Renold, Rexnord, Dongyang, Senqcia…

 

Ứng dụng thực tế

  • Dây chuyền nghiền đá công suất 1000–3000 tấn/h
  • Băng tải than dài 3–10 km tại mỏ than Quảng Ninh, mỏ Đông Bắc
  • Băng tải quặng sắt mỏ lớn (Thạch Khê, mỏ sắt Bản Phúc…)
  • Nhà máy xi măng 5000–10.000 tấn clinker/ngày
  • Cảng than, cảng quặng, cảng xi măng lớn

 

Tại sao các “ông lớn” ngành công nghiệp chọn DWSK?

  • Giá tốt hơn 50–70% so với nhông nhập khẩu châu Âu/Nhật nhưng chất lượng ngang bằng 98–100%
  • Kho thường xuyên có sẵn các mã từ 9–90 răng (lớn nhất Việt Nam)
  • Giao hàng nhanh 1–5 ngày toàn quốc, hỗ trợ vận chuyển container miễn phí đơn lớn
  • Bảo hành chính hãng 24–36 tháng (dài nhất thị trường)
  • Kỹ sư hỗ trợ thiết kế, tính toán hệ truyền động miễn phí trọn đời

 

 

      Mọi chi tiết xin liên hệ - A Thọ:  0932322638

      Công ty TNHH xuất nhập khẩu đầu tư và thương mại Toàn Phát

      Phòng kinh doanh: Phòng 603 - CT3A - KĐT Mễ Trì Thượng - Từ Liêm - Hà Nội

      ĐT/Fax: 02438.489.388 

      Email: huaquyetthang@gmail.com

      Website: toanphatinfo.com