Chuyên cung cấp: Nhông xích inox, dây curoa, gầu tải, khớp nối mặt bích, keo dán băng tải, băng tải gầu, băng tải xích, túi lọc bụi, vải lọc bụi, vòng bi các loại.
Điện thoại: 024.3795.8168 - Fax: 024.3795.8169
Email: toanphatinfo@gmail.com
Mua băng tải gầu ở đâu?giá ở đâu rẻ nhất
Giá: LH 0932322638
Vòng bi 6060 M - phi 300x460x74mm
Giá: Liên Hệ : 0932322638
Vòng bi tang trống tự lựa 22217C/W33 - phi 85x150x36mm
Giá: Liên hệ 0932322638
Vòng bi 6030 - phi 150x225x35mm
Giá: Liên Hệ : 0932322638
Vòng bi 6034 M - phi 170x260x42mm
Giá: Liên Hệ : 0932322638
| Hình ảnh | |
| Sản phẩm | Nhông 35 |
| Giá | |
| Đặt hàng | ![]() |
Nhông xích (sprocket) là bộ phận truyền động không thể thiếu trong các hệ thống băng tải, máy công nghiệp, xe máy, nông cơ và dây chuyền sản xuất. Với hơn 15 năm kinh nghiệm cung cấp nhông xích cho thị trường Việt Nam và xuất khẩu, DWSK tự hào mang đến dòng nhông xích tiêu chuẩn JIS/KANA chất lượng cao, độ bền vượt trội và giá thành hợp lý.
Chuẩn: JIS B1801 (Nhật Bản) / KANA (tiêu chuẩn Châu Á phổ biến nhất)
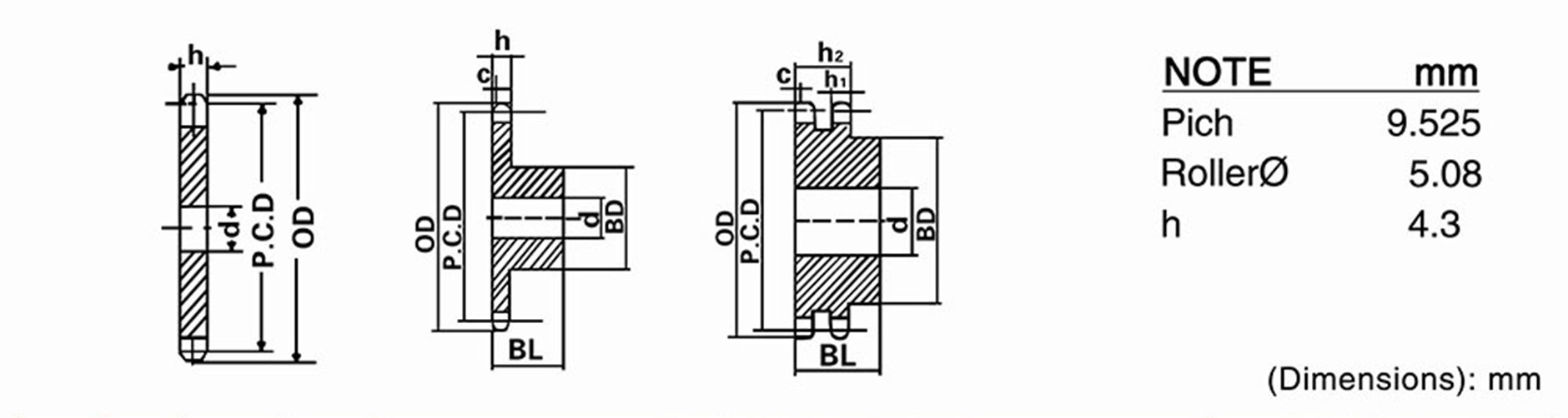
Tiết bước (Pitch): 9.525 mm (chuẩn 35 – tương đương 3/8″)
Đường kính con lăn: 5.08 mm
Chiều rộng răng: h = 4.3 mm
Chiều cao răng h1 = 4.1 mm | h2 = 14.2 mm
Vật liệu: Thép C45, S45C cao cấp, một số mã lớn sử dụng thép hợp kim
Quy trình chế tạo: Rèn nóng → Gia công tinh → Phay lăn răng (hobbing) chính xác cao
Chứng nhận chất lượng: ISO 9001:2008 (hiện đang cập nhật lên ISO 9001:2015)
Răng tôi tần số cao (hardened teeth) – tăng tuổi thọ gấp 3–5 lần so với nhông thông thường
Mạ kẽm trắng (zinc plating)
Oxy hóa đen (black oxide)
Phốt-phát đen (mangan phosphate)
Sơn tĩnh điện hoặc không xử lý (raw material) tùy theo môi trường sử dụng
Độ chính xác cao: sai số răng dưới 0.02 mm, đảm bảo vận hành êm, không rung lắc
Độ bền và khả năng chịu tải vượt trội nhờ quy trình tôi cứng răng chuyên biệt
Bề mặt răng nhẵn bóng, giảm ma sát, giảm mài mòn xích tải
Kiểm tra chất lượng 100% từng công đoạn: từ nguyên liệu đầu vào → rèn → phay răng → xử lý nhiệt → xử lý bề mặt → đóng gói
Đa dạng số răng từ 9 đến 80 răng, đáp ứng mọi nhu cầu truyền động
Trọng lượng nhẹ hơn 10–15% so với nhông đúc thông thường nhưng vẫn đảm bảo độ cứng và độ dai

|
Số răng |
OD mm |
P.C.D |
Đường kính lỗ (d) |
Type "B" simplex (Hub BD) |
Type "B" simplex (Hub BL) |
Type "B" simplex (Bore: Min) |
Type "B" simplex (Bore: Max) |
Trọng lượng Type B (kg) |
Vật liệu Type B |
|
9 |
32 |
27.85 |
8.5 |
★21.5 |
20 |
10.5 |
11 |
0.06 |
S45C |
|
10 |
34 |
30.82 |
8.5 |
★24.5 |
20 |
10.5 |
12 |
0.08 |
|
|
11 |
38 |
33.81 |
8.5 |
★27.0 |
20 |
10.5 |
14 |
0.09 |
|
|
12 |
41 |
36.80 |
9.5 |
★30.5 |
20 |
11.5 |
16 |
0.12 |
|
|
13 |
44 |
39.80 |
9.5 |
★32.0 |
20 |
11.5 |
18 |
0.12 |
|
|
14 |
47 |
42.81 |
9.5 |
32 |
20 |
11.5 |
18 |
0.12 |
|
|
15 |
51 |
45.81 |
9.5 |
35 |
20 |
11.5 |
20 |
0.16 |
|
|
16 |
54 |
48.82 |
9.5 |
37 |
20 |
11.5 |
20 |
0.19 |
|
|
17 |
57 |
51.84 |
11.5 |
41 |
20 |
13.5 |
25 |
0.22 |
|
|
18 |
60 |
54.85 |
11.5 |
44 |
20 |
13.5 |
25 |
0.25 |
|
|
19 |
63 |
57.87 |
11.5 |
47 |
20 |
13.5 |
28 |
0.28 |
|
|
20 |
66 |
60.89 |
11.5 |
50 |
20 |
13.5 |
30 |
0.32 |
|
|
21 |
69 |
63.91 |
11.5 |
53 |
20 |
13.5 |
32 |
0.36 |
|
|
22 |
72 |
66.93 |
11.5 |
56 |
20 |
13.5 |
35 |
0.37 |
|
|
23 |
75 |
69.95 |
11.5 |
60 |
20 |
13.5 |
38 |
0.38 |
|
|
24 |
78 |
72.97 |
11.5 |
53 |
22 |
13.5 |
32 |
0.43 |
|
|
25 |
81 |
76.00 |
11.5 |
53 |
22 |
13.5 |
32 |
0.44 |
|
|
26 |
84 |
79.02 |
11.5 |
53 |
22 |
13.5 |
32 |
0.45 |
|
|
27 |
87 |
82.05 |
11.5 |
53 |
22 |
13.5 |
32 |
0.46 |
|
|
28 |
90 |
85.07 |
11.5 |
53 |
22 |
13.5 |
32 |
0.48 |
|
|
29 |
93 |
88.10 |
11.5 |
53 |
22 |
13.5 |
32 |
0.49 |
|
|
30 |
96 |
91.12 |
11.5 |
53 |
22 |
13.5 |
32 |
0.51 |
|
|
31 |
99 |
94.15 |
11.5 |
53 |
22 |
13.5 |
32 |
0.53 |
|
|
32 |
102 |
97.18 |
11.5 |
53 |
22 |
13.5 |
32 |
0.54 |
|
|
33 |
105 |
100.20 |
11.5 |
53 |
22 |
13.5 |
32 |
0.56 |
|
|
34 |
109 |
103.23 |
11.5 |
53 |
22 |
13.5 |
32 |
0.57 |
|
|
35 |
112 |
106.26 |
11.5 |
53 |
22 |
13.5 |
32 |
0.59 |
|
|
36 |
115 |
109.29 |
12.5 |
53 |
22 |
14.5 |
32 |
0.61 |
|
|
37 |
118 |
112.31 |
12.5 |
63 |
25 |
14.5 |
42 |
0.68 |
|
|
38 |
121 |
115.34 |
12.5 |
63 |
25 |
14.5 |
42 |
0.82 |
|
|
39 |
124 |
118.37 |
12.5 |
63 |
25 |
14.5 |
42 |
0.84 |
|
|
40 |
127 |
121.40 |
12.5 |
63 |
25 |
14.5 |
42 |
0.85 |
|
|
41 |
130 |
124.43 |
16 |
63 |
25 |
18 |
42 |
0.91 |
|
|
42 |
133 |
127.46 |
16 |
63 |
25 |
18 |
42 |
0.93 |
|
|
43 |
136 |
130.49 |
16 |
63 |
25 |
18 |
42 |
0.95 |
|
|
44 |
139 |
133.52 |
16 |
63 |
25 |
18 |
42 |
0.97 |
|
|
45 |
142 |
136.55 |
16 |
63 |
25 |
18 |
42 |
1.00 |
|
|
46 |
145 |
139.58 |
16 |
63 |
25 |
18 |
42 |
1.01 |
|
|
47 |
148 |
142.61 |
16 |
63 |
25 |
18 |
42 |
1.03 |
|
|
48 |
151 |
145.64 |
16 |
63 |
25 |
18 |
42 |
1.05 |
|
|
50 |
157 |
151.70 |
16 |
63 |
25 |
18 |
42 |
1.07 |
|
|
53 |
166 |
160.78 |
16 |
63 |
25 |
18 |
42 |
1.09 |
|
|
54 |
169 |
163.80 |
16 |
63 |
25 |
18 |
42 |
1.10 |
|
|
55 |
172 |
166.85 |
16 |
63 |
25 |
18 |
42 |
1.25 |
|
|
60 |
187 |
182.00 |
16 |
63 |
25 |
18 |
42 |
1.30 |
|
|
64 |
200 |
194.12 |
16 |
63 |
25 |
18 |
42 |
1.46 |
|
|
65 |
203 |
197.15 |
16 |
68 |
25 |
18 |
45 |
1.67 |
|
|
70 |
218 |
212.30 |
16 |
68 |
25 |
18 |
45 |
1.80 |
SS41 |
|
75 |
233 |
227.46 |
16 |
68 |
25 |
18 |
45 |
1.90 |
|
|
80 |
248 |
242.61 |
16 |
68 |
25 |
18 |
45 |
2.40 |
|
Số răng |
Type A (Bore: d) |
Trọng lượng Type A (kg) |
Vật liệu Type A |
| 9 |
SS41 |
||
| 10 | 10.5 | 0.02 | |
| 11 | 10.5 | 0.03 | |
| 12 | 11.5 | 0.03 | |
| 13 | 11.5 | 0.04 | |
| 14 | 11.5 | 0.04 | |
| 15 | 11.5 | 0.05 | |
| 16 | 11.5 | 0.05 | |
| 17 | 13.5 | 0.07 | |
| 18 | 13.5 | 0.07 | |
| 19 | 13.5 | 0.09 | |
| 20 | 13.5 | 0.09 | |
| 21 | 13.5 | 0.11 | |
| 22 | 13.5 | 0.11 | |
| 23 | 13.5 | 0.11 | |
| 24 | 13.5 | 0.14 | |
| 25 | 13.5 | 0.16 | |
| 26 | 13.5 | 0.16 | |
| 27 | 13.5 | 0.17 | |
| 28 | 13.5 | 0.18 | |
| 29 | |||
| 30 | 13.5 | 0.23 | |
| 31 | |||
| 32 | 13.5 | 0.27 | |
| 33 | 13.5 | 0.28 | |
| 34 | 13.5 | 0.29 | |
| 35 | 13.5 | 0.30 | |
| 36 | 14.5 | 0.32 | |
| 37 | |||
| 38 | 14.5 | 0.41 | |
| 39 | |||
| 40 | 14.5 | 0.43 | |
| 41 | |||
| 42 | 18 | 0.43 | |
| 43 | |||
| 44 | |||
| 45 | 18 | 0.49 | |
| 46 | 18 | 0.51 | |
| 47 | |||
| 48 | 18 | 0.55 | |
| 50 | 18 | 0.60 | |
| 53 | |||
| 54 | 18 | 0.70 | |
| 55 | 18 | 0.71 | |
| 60 | 18 | 0.80 | |
| 64 | |||
| 65 | |||
| 70 | |||
| 75 | |||
| 80 | 18 | 1.50 |
Ghi chú:
Tiết bước xích (Pitch): 9.525 mm → Chuẩn nhông 35 (3/8″)
Đường kính con lăn: 5.08 mm
Type B: Nhông có moay ơ (hub) – dùng cho truyền động tải nặng
Type A: Nhông đĩa phẳng (plate wheel) – nhẹ hơn, thường dùng tải nhẹ
★: Đường kính moay ơ tiêu chuẩn của các mã nhỏ
Lỗ (Bore) có thể gia công lại theo yêu cầu khách hàng (lỗ then, lỗ côn, lỗ vuông…)
Băng tải công nghiệp, băng tải thực phẩm
Máy nông nghiệp, máy gặt đập liên hợp
Xe máy, xe đạp điện
Hệ thống truyền động dây xích tải nặng trong nhà máy xi măng, khai khoáng, cảng biển…