Chuyên cung cấp: Nhông xích inox, dây curoa, gầu tải, khớp nối mặt bích, keo dán băng tải, băng tải gầu, băng tải xích, túi lọc bụi, vải lọc bụi, vòng bi các loại.
Điện thoại: 024.3795.8168 - Fax: 024.3795.8169
Email: toanphatinfo@gmail.com
Vòng bi 60/1120 M - phi 1120x1580x200mm
Giá: Liên Hệ : 0932322638
Vòng bi 6300 DU - phi 10x35x11mm
Giá: vòng bi rẻ nhất, mua nhanh nhất
Vòng bi 6303 DDU - Bạc đạn 6303 DDU
Giá: Liên hệ : 0932322638
Giá: liên hệ NVKD
Vòng bi côn 32018 RX2-Phi 90x140x30 mm
Giá:
| Hình ảnh | |
| Sản phẩm | Nhông Xích Tải Chuẩn 40 |
| Giá | |
| Đặt hàng | ![]() |
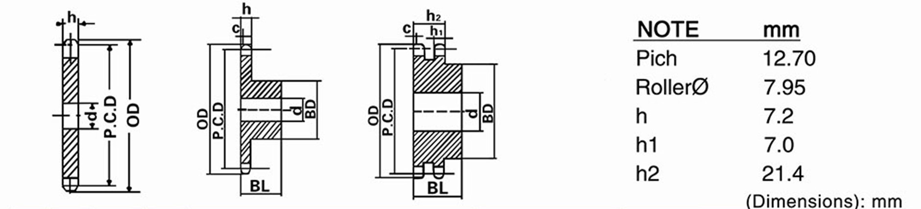
Nhông 40 (40B) là dòng nhông xích tải trung bình phổ biến nhất trong công nghiệp hiện nay, được sử dụng rộng rãi tại Việt Nam nhờ khả năng chịu tải tốt, vận hành êm và tuổi thọ cao.
| Số răng | OD | P.C.D | Bore: d |
| 8 | 38 | 33.19 | 8.5 |
| 9 | 42 | 37.13 | 8.5 |
| 10 | 46 | 41.10 | 9.5 |
| 11 | 51 | 45.08 | 10.5 |
| 12 | 55 | 49.07 | 10.5 |
| 13 | 59 | 53.07 | 13.5 |
| 14 | 63 | 57.07 | 13.5 |
| 15 | 67 | 61.08 | 13.5 |
| 16 | 71 | 65.10 | 13.5 |
| 17 | 76 | 69.12 | 13.5 |
| 18 | 80 | 73.14 | 13.5 |
| 19 | 84 | 77.16 | 13.5 |
| 20 | 88 | 81.18 | 14.5 |
| 21 | 92 | 85.21 | 14.5 |
| 22 | 96 | 89.24 | 14.5 |
| 23 | 100 | 93.27 | 14.5 |
| 24 | 104 | 97.30 | 14.5 |
| 25 | 108 | 101.33 | 14.5 |
| 26 | 112 | 105.36 | 14.5 |
| 27 | 116 | 109.40 | 14.5 |
| 28 | 120 | 113.43 | 14.5 |
| 29 | 124 | 117.46 | 14.5 |
| 30 | 128 | 121.50 | 14.5 |
| 31 | 133 | 125.53 | 14.5 |
| 32 | 137 | 129.57 | 14.5 |
| 33 | 141 | 133.61 | 14.5 |
| 34 | 145 | 137.64 | 14.5 |
| 35 | 149 | 141.68 | 14.5 |
| 36 | 153 | 145.72 | 16 |
| 38 | 161 | 153.79 | 16 |
| 39 | 165 | 157.83 | 16 |
| 40 | 169 | 161.87 | 16 |
| 41 | 173 | 165.91 | 16 |
| 42 | 177 | 169.95 | 16 |
| 43 | 181 | 173.98 | 16 |
| 44 | 185 | 178.02 | 16 |
| 45 | 189 | 182.06 | 16 |
| 48 | 201 | 194.18 | 16 |
| 49 | 205 | 198.22 | 16 |
| 50 | 209 | 202.26 | 16 |
| 51 | 214 | 206.30 | 16 |
| 52 | 218 | 210.34 | 16 |
| 53 | 222 | 214.38 | 16 |
| 54 | 226 | 218.42 | 16 |
| 60 | 250 | 242.66 | 16 |
| 65 | 270 | 262.87 | 16 |
| 70 | 290 | 283.07 | 16 |
| 72 | 299 | 291.16 | 20 |
| 75 | 311 | 303.28 | 20 |
| 80 | 331 | 323.49 | 20 |
| 85 | 351 | 343.69 | 20 |
| 90 | 371 | 363.90 | 20 |
| Số răng | Type "B" simplex (BD: Hub) | Type "B" simplex (BL: Hub) | Type "B" simplex (Bore: Min) | Type "B" simplex (Bore: Max) | Type "B" simplex (Weight: kg) | Type "B" simplex (Material) |
| 8 | ★24 | 22 | 10.5 | 10.5 | 0.06 |
S45C |
| 9 | ★28 | 22 | 10.5 | 16 | 0.11 | |
| 10 | ★32 | 22 | 11.5 | 18 | 0.14 | |
| 11 | ★36 | 22 | 12.5 | 20 | 0.19 | |
| 12 | ★40 | 22 | 12.5 | 22 | 0.22 | |
| 13 | 37 | 22 | 15.5 | 20 | 0.23 | |
| 14 | 42 | 22 | 15.5 | 25 | 0.28 | |
| 15 | 46 | 22 | 15.5 | 28 | 0.34 | |
| 16 | 50 | 22 | 15.5 | 30 | 0.40 | |
| 17 | 54 | 22 | 15.5 | 32 | 0.46 | |
| 18 | 57 | 22 | 15.5 | 35 | 0.51 | |
| 19 | 62 | 22 | 15.5 | 40 | 0.59 | |
| 20 | 67 | 25 | 16.5 | 45 | 0.76 | |
| 21 | 71 | 25 | 16.5 | 48 | 0.85 | |
| 22 | 75 | 25 | 16.5 | 51 | 0.95 | |
| 23 | 77 | 25 | 16.5 | 51 | 1.00 | |
| 24 | 63 | 25 | 16.5 | 42 | 0.84 | |
| 25 | 63 | 25 | 16.5 | 42 | 0.88 | |
| 26 | 63 | 25 | 16.5 | 42 | 0.92 | |
| 27 | 63 | 25 | 16.5 | 42 | 0.96 | |
| 28 | 63 | 25 | 16.5 | 42 | 1.00 | |
| 29 | 63 | 25 | 16.5 | 42 | 1.00 | |
| 30 | 63 | 25 | 16.5 | 42 | 1.10 | |
| 31 | 68 | 28 | 16.5 | 45 | 1.20 | |
| 32 | 68 | 28 | 16.5 | 45 | 1.30 | |
| 33 | 68 | 28 | 16.5 | 45 | 1.30 | |
| 34 | 68 | 28 | 16.5 | 45 | 1.30 | |
| 35 | 68 | 28 | 16.5 | 45 | 1.40 | |
| 36 | 68 | 28 | 18 | 45 | 1.50 | |
| 38 | 68 | 28 | 18 | 45 | 1.60 | |
| 39 | 68 | 28 | 18 | 45 | 1.65 | |
| 40 | 68 | 28 | 18 | 45 | 1.70 | |
| 41 | 73 | 32 | 18 | 48 | 2.00 | |
| 42 | 73 | 32 | 18 | 48 | 2.05 | |
| 43 | 73 | 32 | 18 | 48 | 2.10 | |
| 44 | 73 | 32 | 18 | 48 | 2.17 | |
| 45 | 73 | 32 | 18 | 48 | 2.25 | |
| 48 | 73 | 32 | 18 | 48 | 2.45 | |
| 49 | 73 | 32 | 18 | 48 | 2.51 | |
| 50 | 73 | 32 | 18 | 48 | 2.60 | |
| 51 | 73 | 32 | 18 | 48 | 2.65 |
SS41 |
| 52 | 73 | 32 | 18 | 48 | 2.72 | |
| 53 | 73 | 32 | 18 | 48 | 2.80 | |
| 54 | 73 | 32 | 18 | 48 | 2.90 | |
| 60 | 73 | 32 | 18 | 48 | 3.40 | |
| 65 | 83 | 32 | 18 | 55 | 4.10 | |
| 70 | 83 | 32 | 18 | 55 | 4.57 | |
| 72 | 83 | 32 | 22 | 55 | 4.80 | |
| 75 | 83 | 32 | 22 | 55 | 5.10 | |
| 80 | 88 | 35 | 22 | 60 | 5.90 | |
| 85 | 88 | 35 | 22 | 60 | 6.50 | |
| 90 | 88 | 35 | 22 | 60 | 7.15 |
| Số răng | Type "A" (Bore: d) | Type "A" (Weight: kg) | Type "A" (Material) |
| 8 |
S45C |
||
| 9 | |||
| 10 | 11.5 | 0.05 | |
| 11 | 12.5 | 0.09 | |
| 12 | 12.5 | 0.10 | |
| 13 | 15.5 | 0.12 | |
| 14 | 15.5 | 0.14 | |
| 15 | 15.5 | 0.16 | |
| 16 | 15.5 | 0.18 | |
| 17 | 15.5 | 0.20 | |
| 18 | 15.5 | 0.23 | |
| 19 | 15.5 | 0.24 | |
| 20 | 16.5 | 0.29 | |
| 21 | 16.5 | 0.30 | |
| 22 | 16.5 | 0.35 | |
| 23 | 16.5 | 0.38 | |
| 24 | 16.5 | 0.40 | |
| 25 | 16.5 | 0.45 | |
| 26 | 16.5 | 0.49 | |
| 27 | 16.5 | 0.50 | |
| 28 | 16.5 | 0.56 | |
| 29 | 16.5 | 0.60 | |
| 30 | 16.5 | 0.63 | |
| 31 | 16.5 | 0.65 | |
| 32 | 16.5 | 0.70 | |
| 33 | 16.5 | 0.75 | |
| 34 | 16.5 | 0.08 | |
| 35 | 16.5 | 0.85 | |
| 36 | 18 | 0.90 | |
| 38 | 18 | 1.00 | |
| 39 | 18 | 1.15 | |
| 40 | 18 | 1.20 | |
| 41 | 18 | 1.20 | |
| 42 | 18 | 1.25 | |
| 43 | 18 | 1.30 | |
| 44 | 18 | 1.35 | |
| 45 | 18 | 1.40 | |
| 48 | 18 | 1.63 | |
| 49 | 18 | 1.73 | |
| 50 | 18 | 1.80 | |
| 51 | 18 | 1.88 | |
| 52 | 18 | 1.93 | |
| 53 | 18 | 1.98 | |
| 54 | 18 | 2.00 | |
| 60 | 18 | 2.60 | |
| 65 | 18 | 3.00 | |
| 70 | 18 | 3.50 | |
| 72 | 22 | 3.70 | |
| 75 | 22 | 4.00 | |
| 80 | 22 | 4.60 | |
| 85 | 22 | 5.20 | |
| 90 | 22 | 5.80 |
| Số răng | Typee "B" duplex (BD: Hub) | Typee "B" duplex (BL: Hub) | Typee "B" duplex (Min: Bore) | Typee "B" duplex (Max: Bore) | Typee "B" duplex (Weight: kg) | Typee "B" duplex (Material) |
| 8 |
S45C |
|||||
| 9 | ||||||
| 10 | 27.1 | 35 | 15 | 16 | 0.28 | |
| 11 | 29.1 | 35 | 15 | 16 | 0.30 | |
| 12 | 3.2 | 35 | 16 | 20 | 0.34 | |
| 13 | 7.2 | 35 | 16 | 22 | 0.40 | |
| 14 | 11.2 | 35 | 16 | 25 | 0.47 | |
| 15 | 15.2 | 35 | 16 | 28 | 0.55 | |
| 16 | 18.2 | 35 | 16 | 30 | 0.65 | |
| 17 | 22.2 | 35 | 16 | 32 | 0.75 | |
| 18 | 27.2 | 35 | 16 | 38 | 0.85 | |
| 19 | 3.3 | 35 | 16 | 42 | 0.98 | |
| 20 | 7.3 | 40 | 16 | 45 | 1.30 | |
| 21 | 8.3 | 40 | 16 | 45 | 1.30 | |
| 22 | 12.3 | 40 | 16 | 48 | 1.50 | |
| 23 | 16.3 | 40 | 16 | 51 | 1.60 | |
| 24 | 20.3 | 40 | 16 | 55 | 1.80 | |
| 25 | 24.3 | 40 | 20 | 57 | 2.00 | |
| 26 | 88 | 40 | 20 | 60 | 2.20 | |
| 27 | 1.4 | 40 | 20 | 60 | 2.30 | |
| 28 | 96 | 40 | 20 | 66 | 2.50 | |
| 29 | 5.4 | 40 | 20 | 66 | 2.65 | |
| 30 | 9.4 | 40 | 20 | 66 | 2.80 | |
| 31 | 9.4 | 50 | 25 | 66 | 2.95 | |
| 32 | 9.4 | 50 | 25 | 66 | 3.05 | |
| 33 | 9.4 | 50 | 25 | 66 | 3.06 | |
| 34 | 100 | 50 | 25 | 66 | 3.08 | |
| 35 | 9.4 | 50 | 25 | 66 | 3.10 | |
| 36 | 100 | 50 | 25 | 66 | 3.30 | |
| 38 | 9.4 | 50 | 25 | 66 | 3.50 | |
| 39 | ||||||
| 40 | 100 | 50 | 25 | 66 | 3.60 | |
| 41 | ||||||
| 42 | 93 | 50 | 25 | 63 | 4.00 | |
| 43 | ||||||
| 44 | ||||||
| 45 | 93 | 50 | 25 | 63 | 4.60 | |
| 48 | 93 | 50 | 25 | 63 | 5.00 | |
| 49 | ||||||
| 50 | 93 | 50 | 25 | 63 | 5.50 | |
| 51 | 5.60 | |||||
| 52 | ||||||
| 53 |
SS41 |
|||||
| 54 | 93 | 50 | 25 | 63 | 5.80 | |
| 60 | 93 | 50 | 25 | 63 | 6.70 | |
| 65 | 93 | 50 | 25 | 63 | 10.20 | |
| 70 | 93 | 50 | 25 | 63 | 11.50 | |
| 72 | ||||||
| 75 | ||||||
| 80 | ||||||
| 85 | ||||||
| 90 |